全国统一服务热线
400-610-6025
首 页
企业简介
公司概况
证书荣誉
组织结构
业务范围
业绩案例
工艺材料
半岛(中国)
资料下载
联系我们
当前位置:
首页
>
图集
>
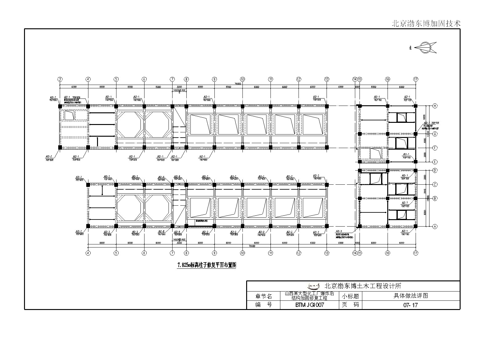
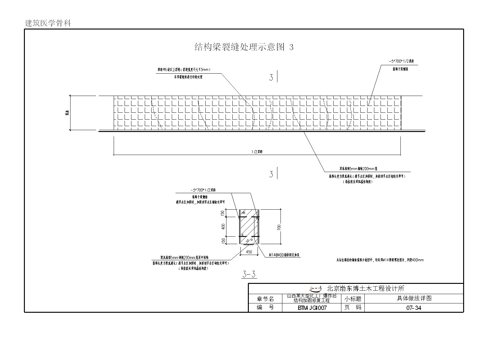
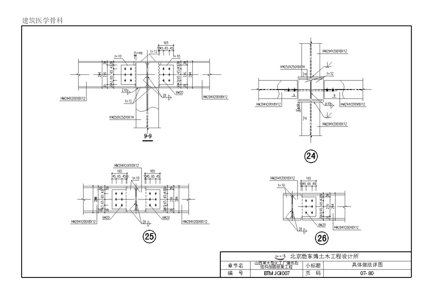
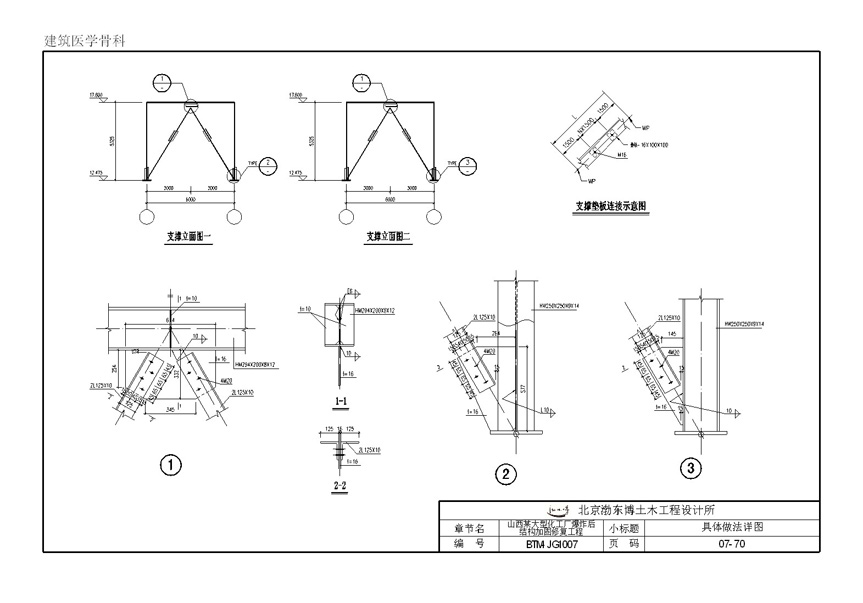
山西某大型化工厂爆炸后结构加固修复工程
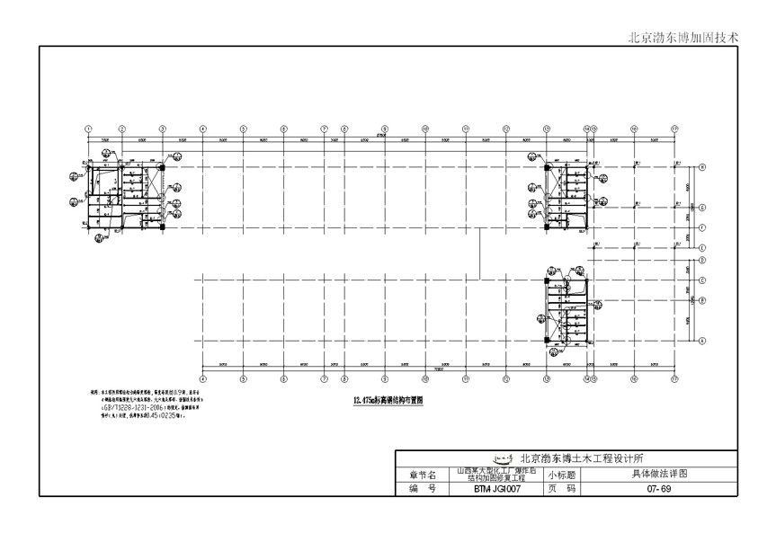
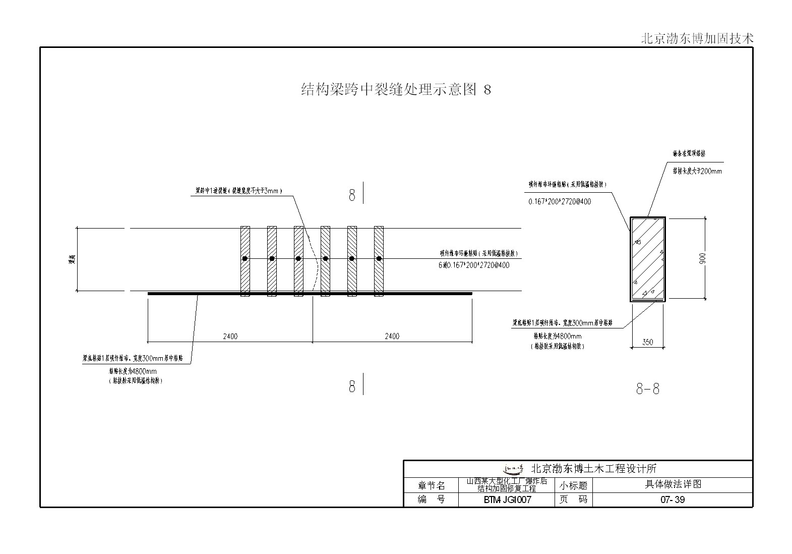
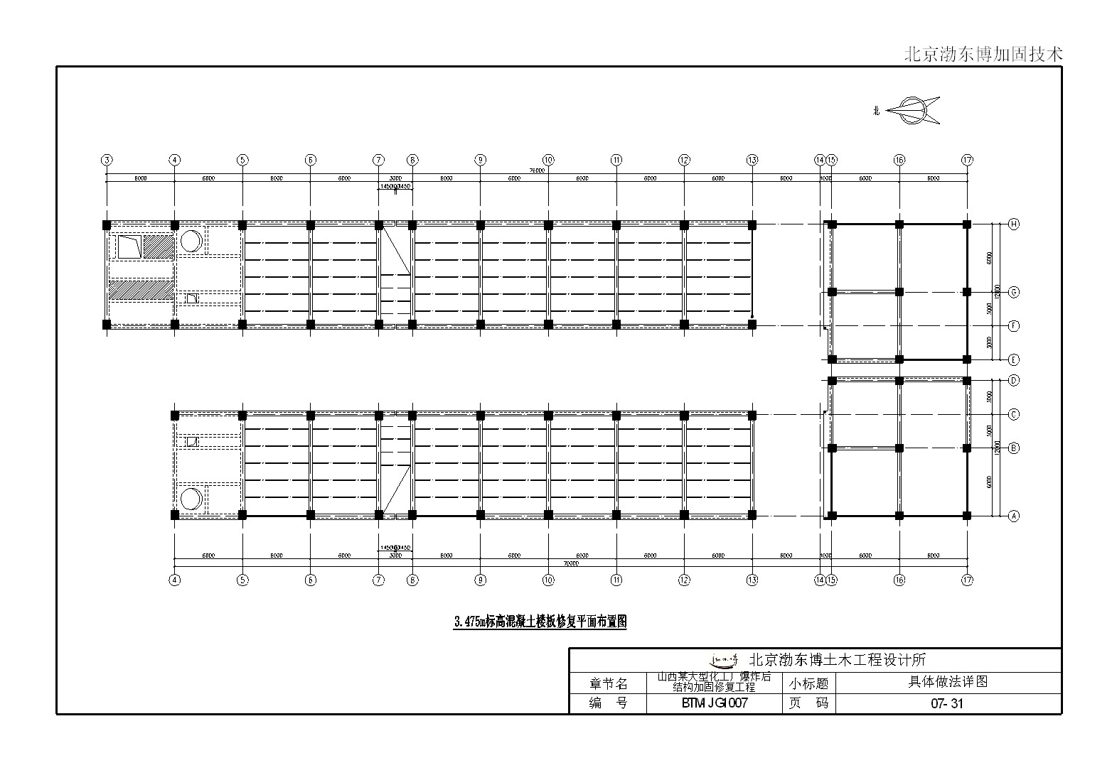
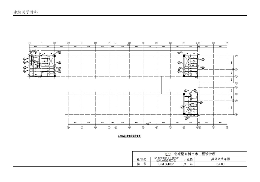
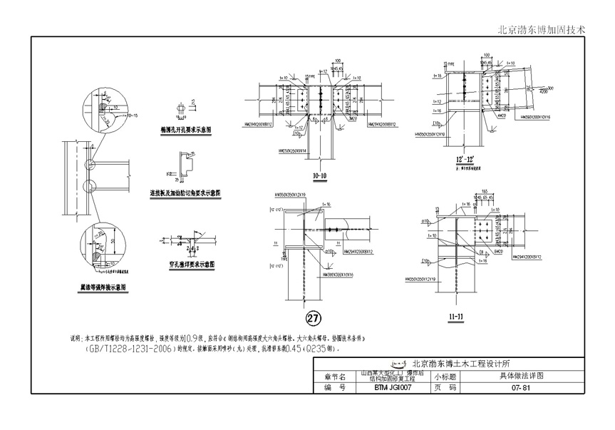
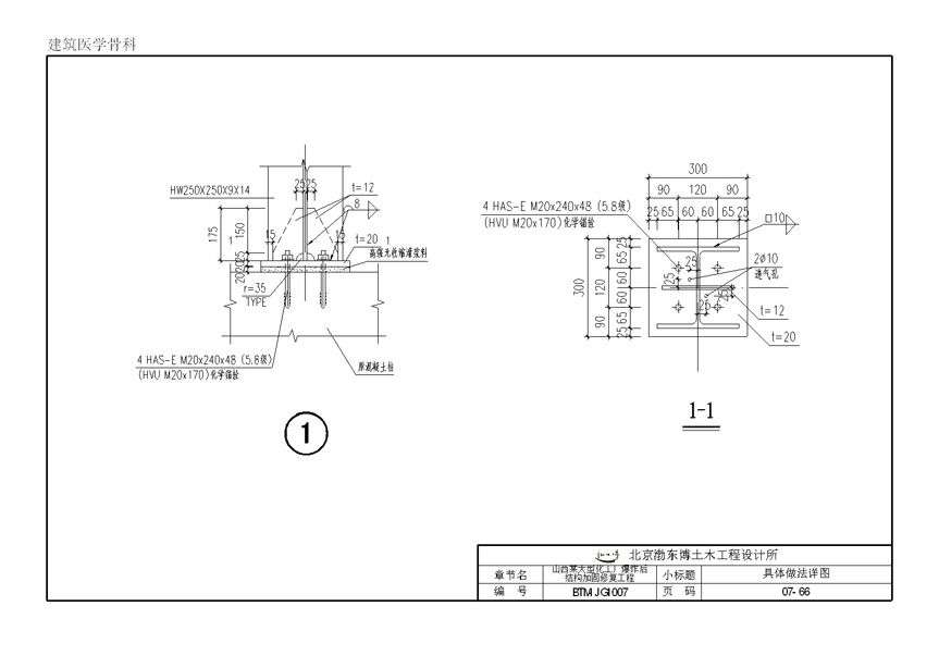
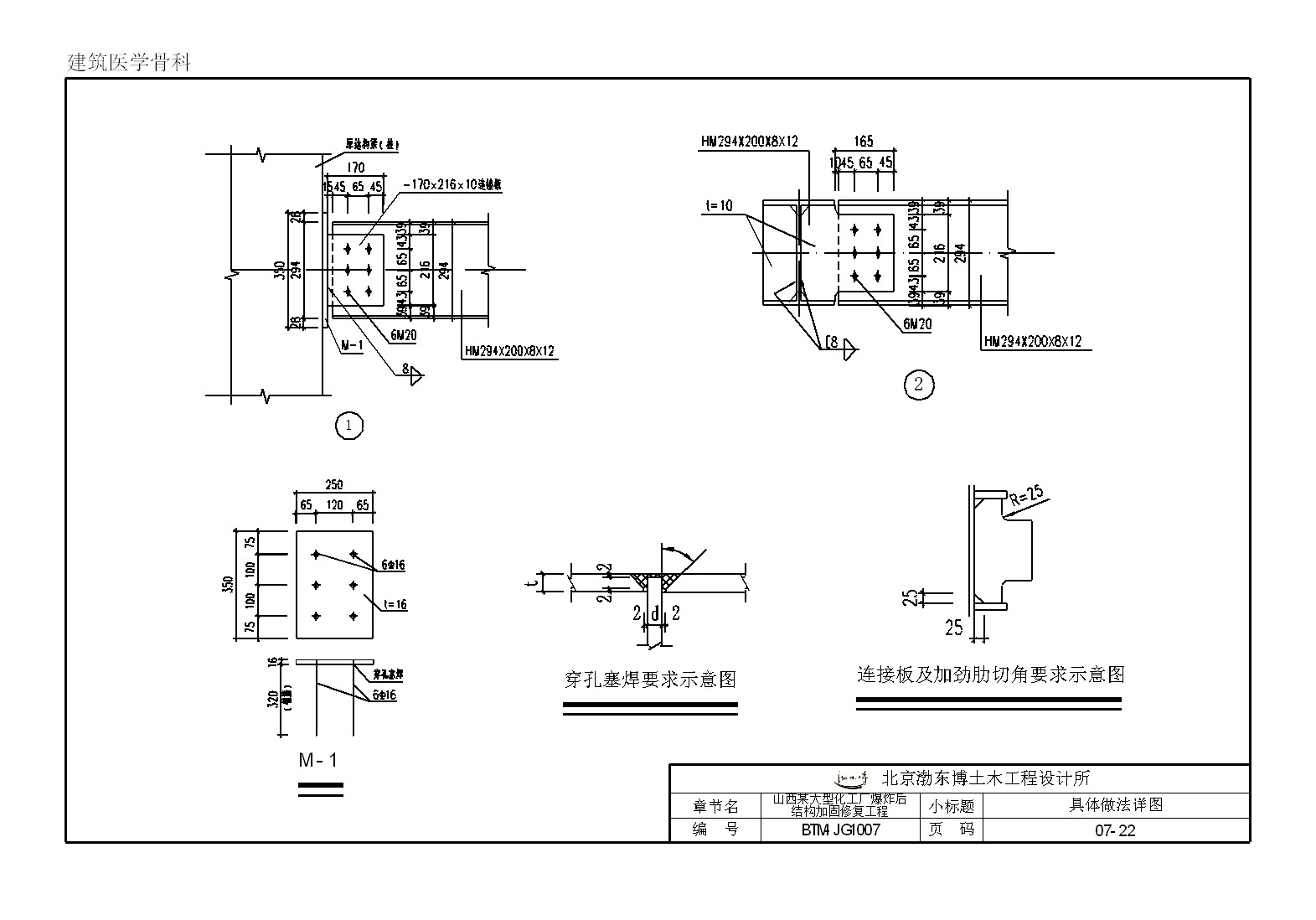
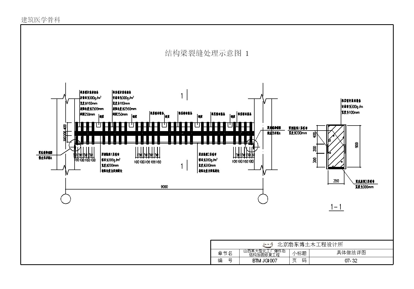
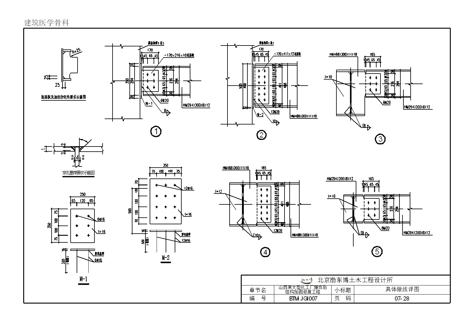
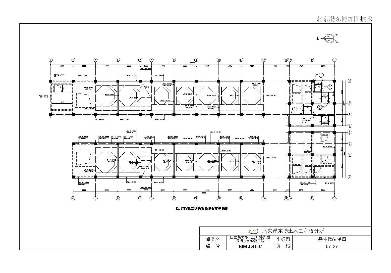
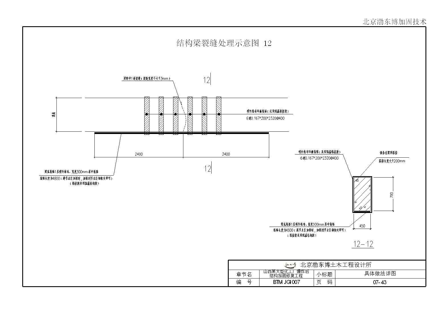
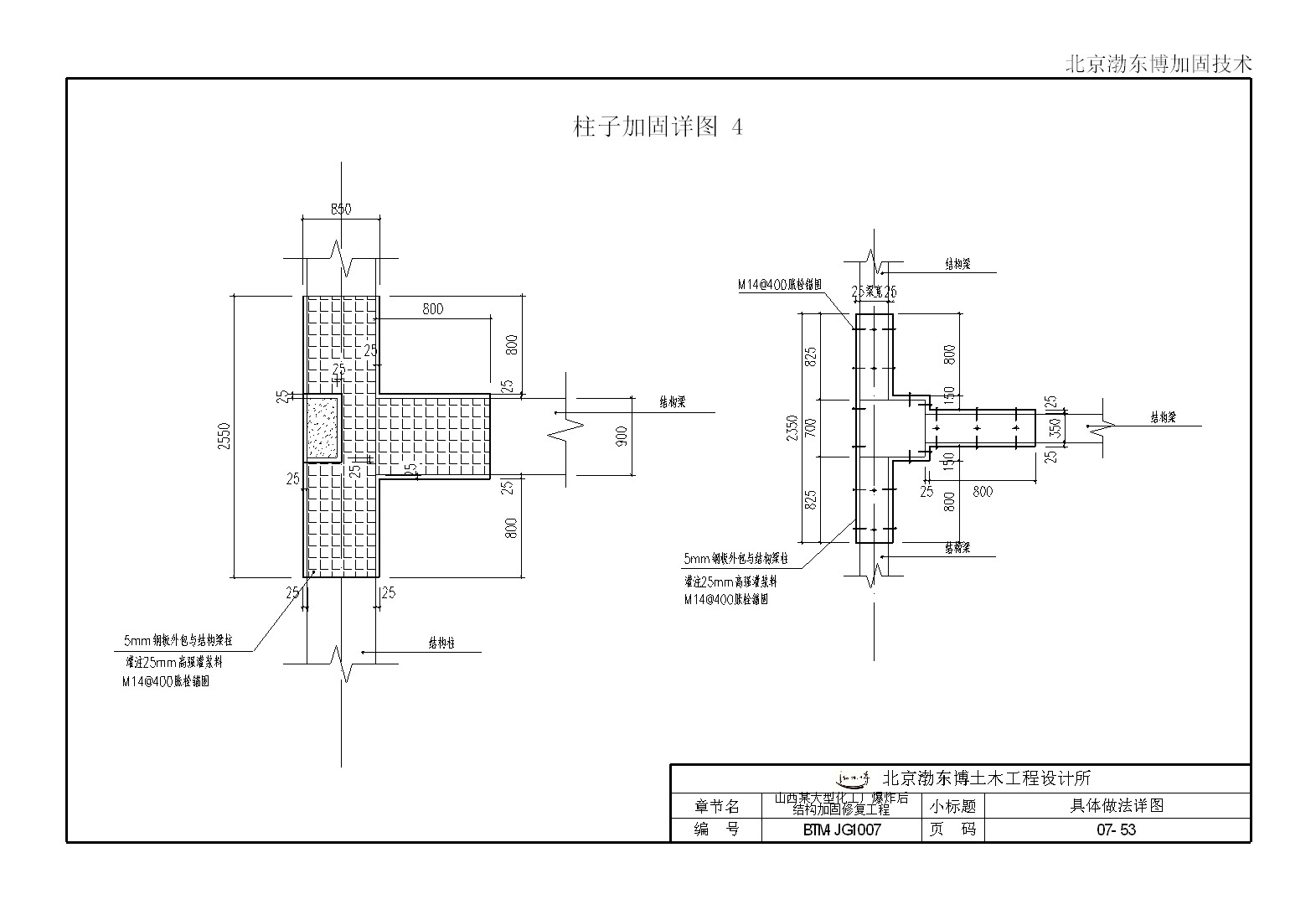
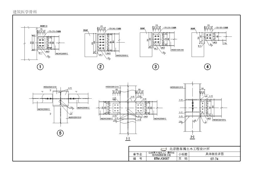
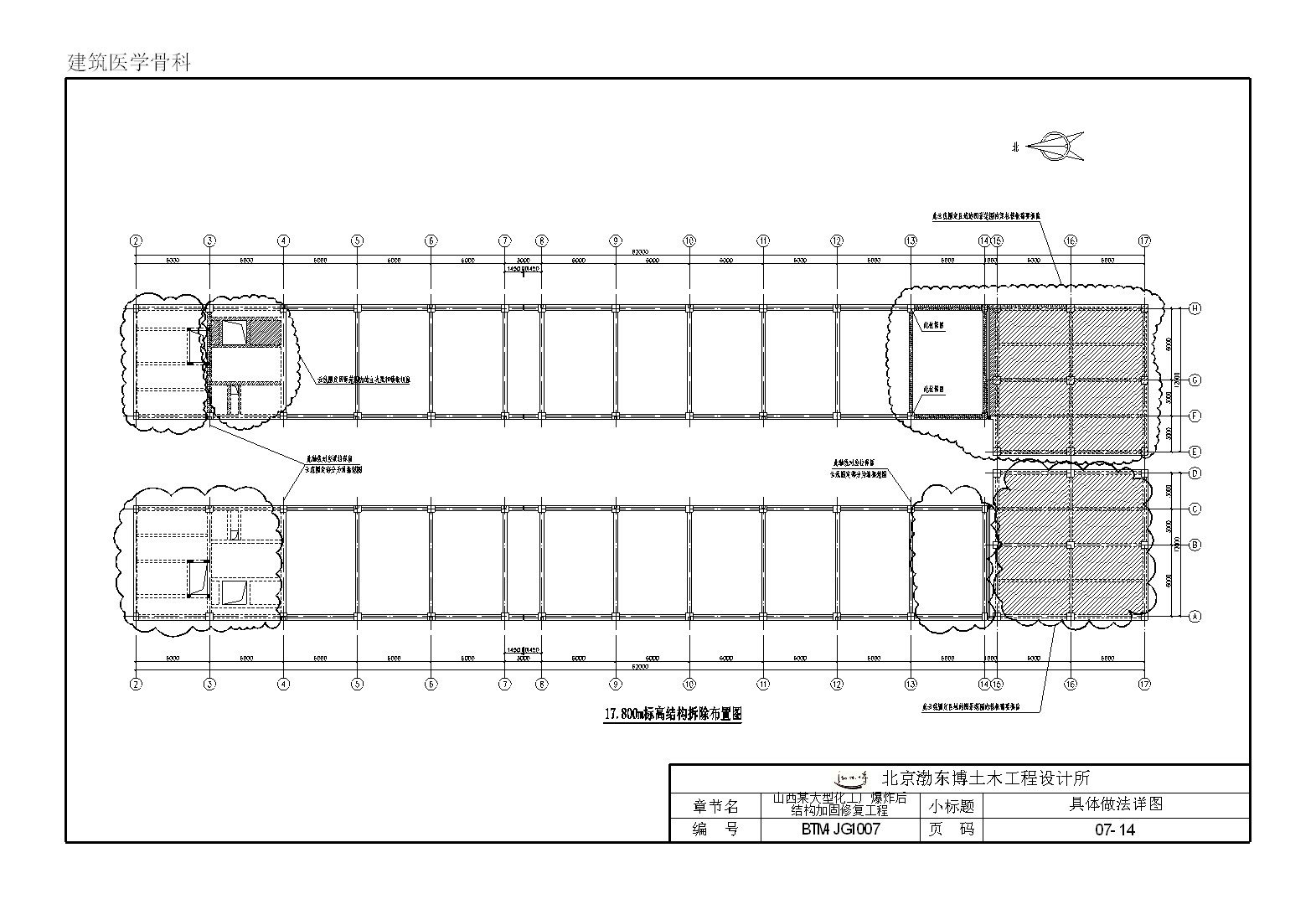
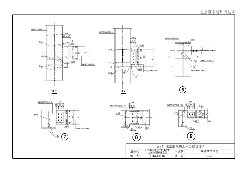
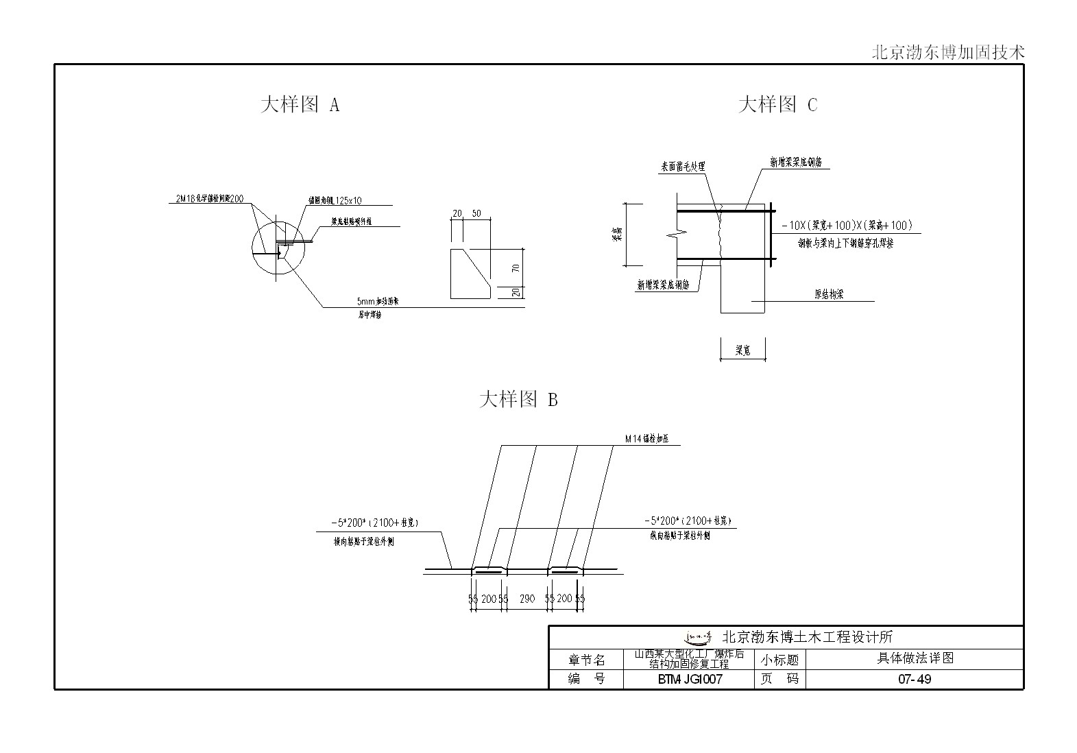
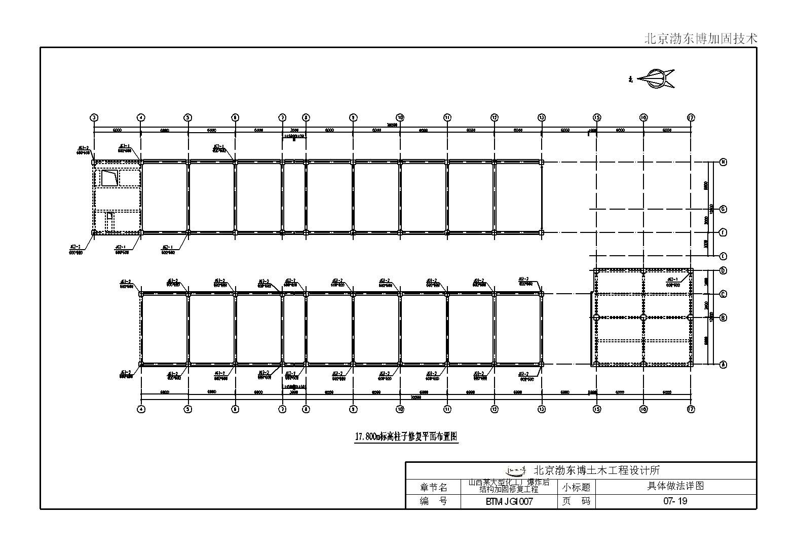
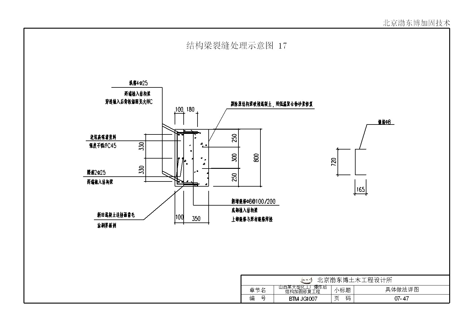
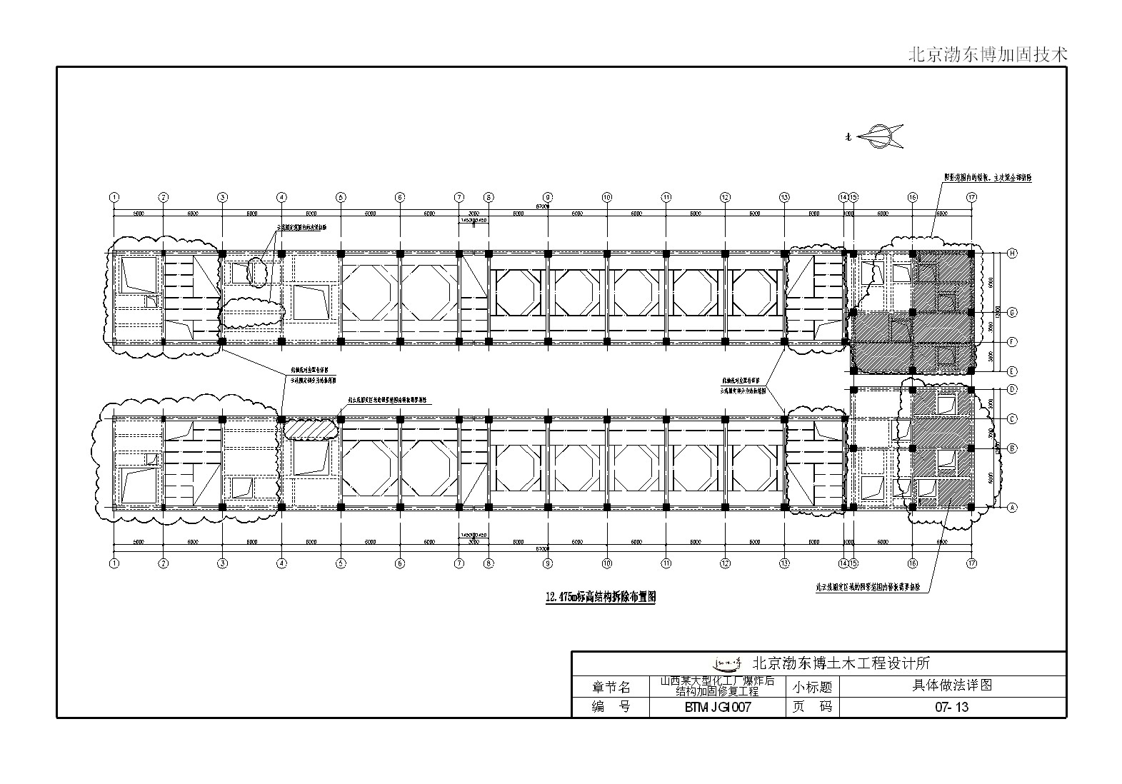
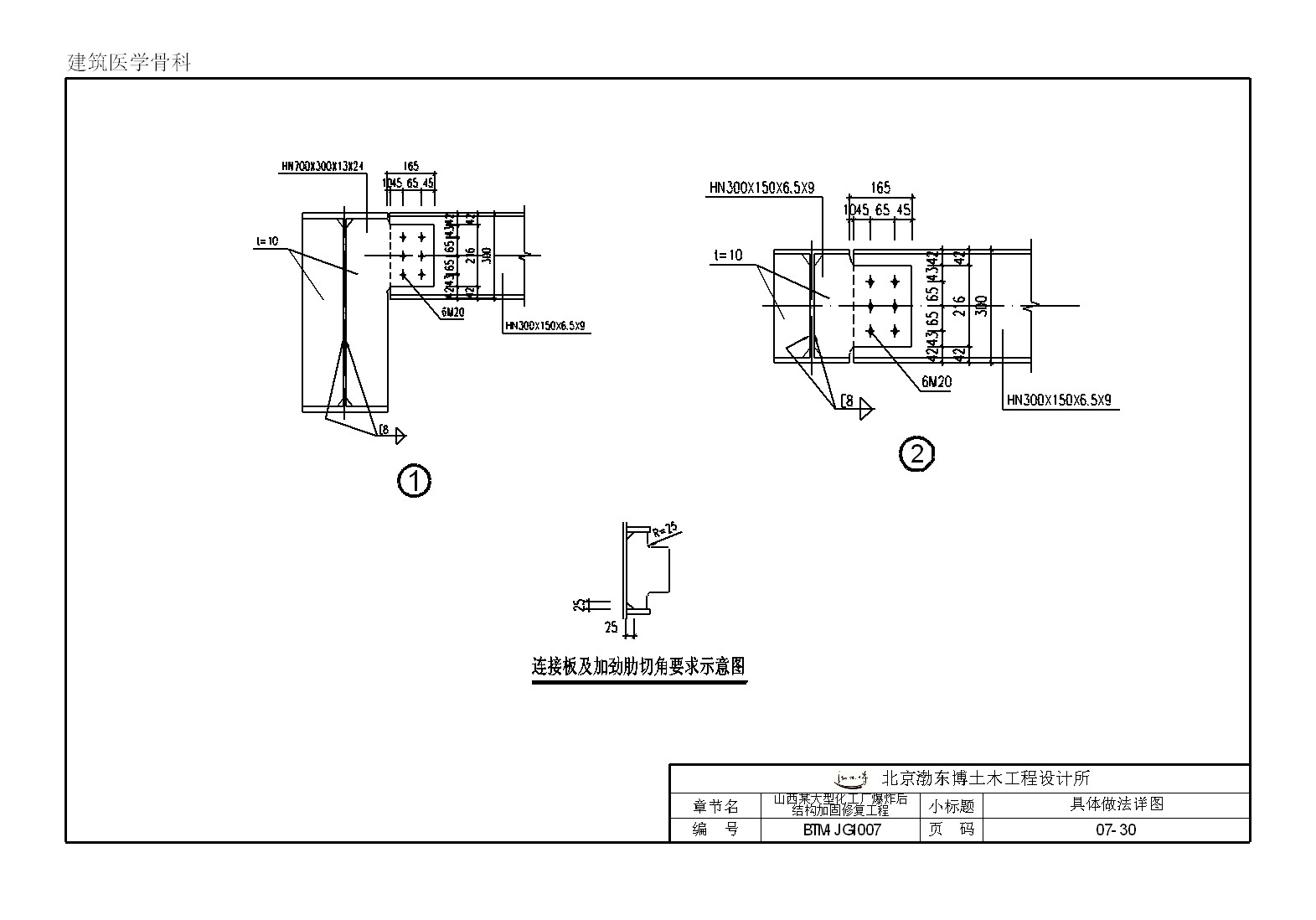
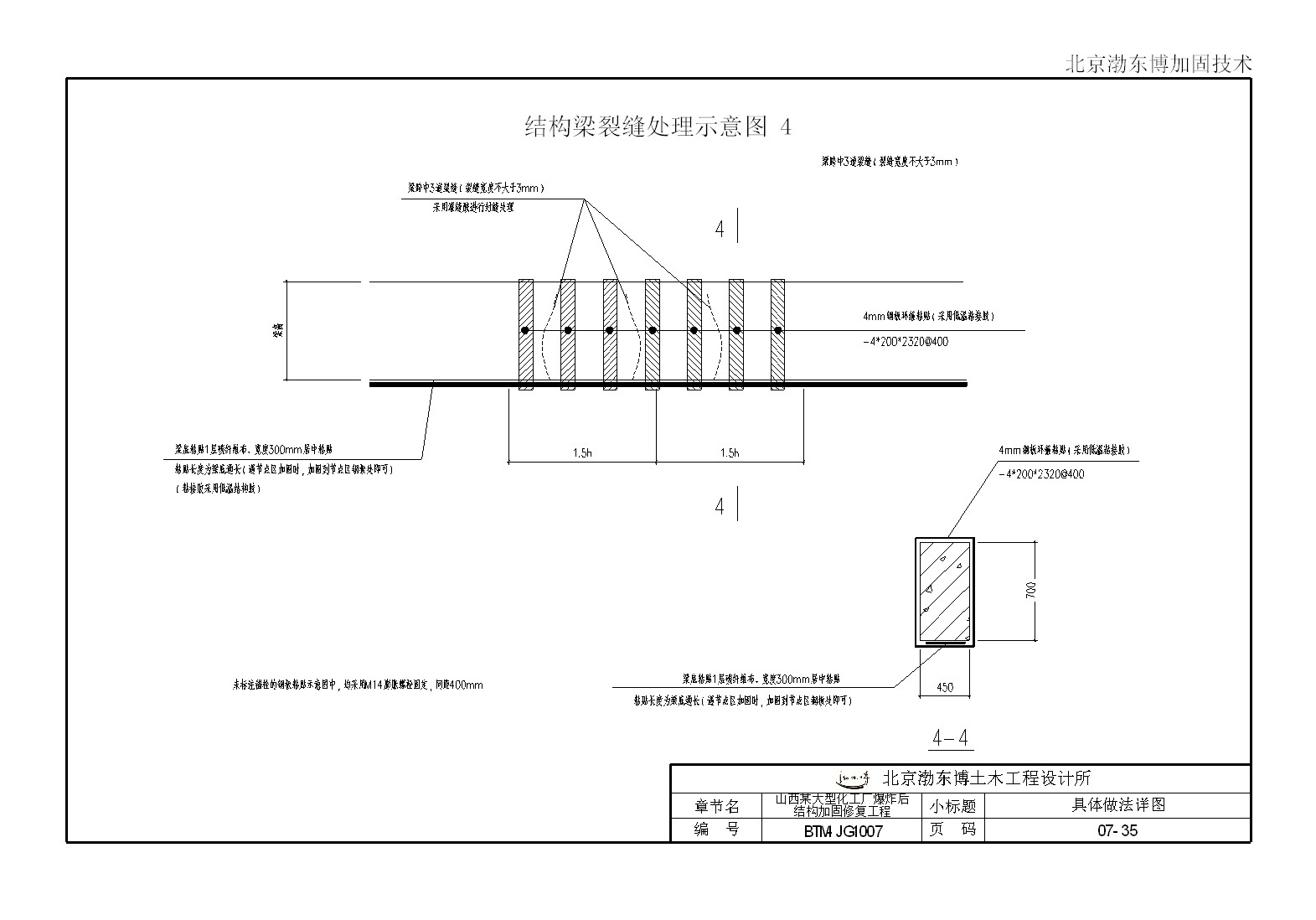
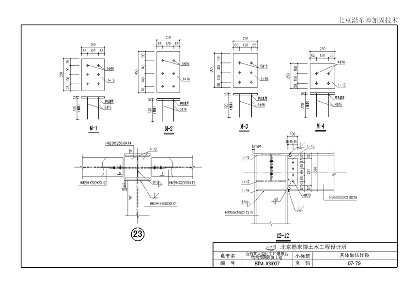
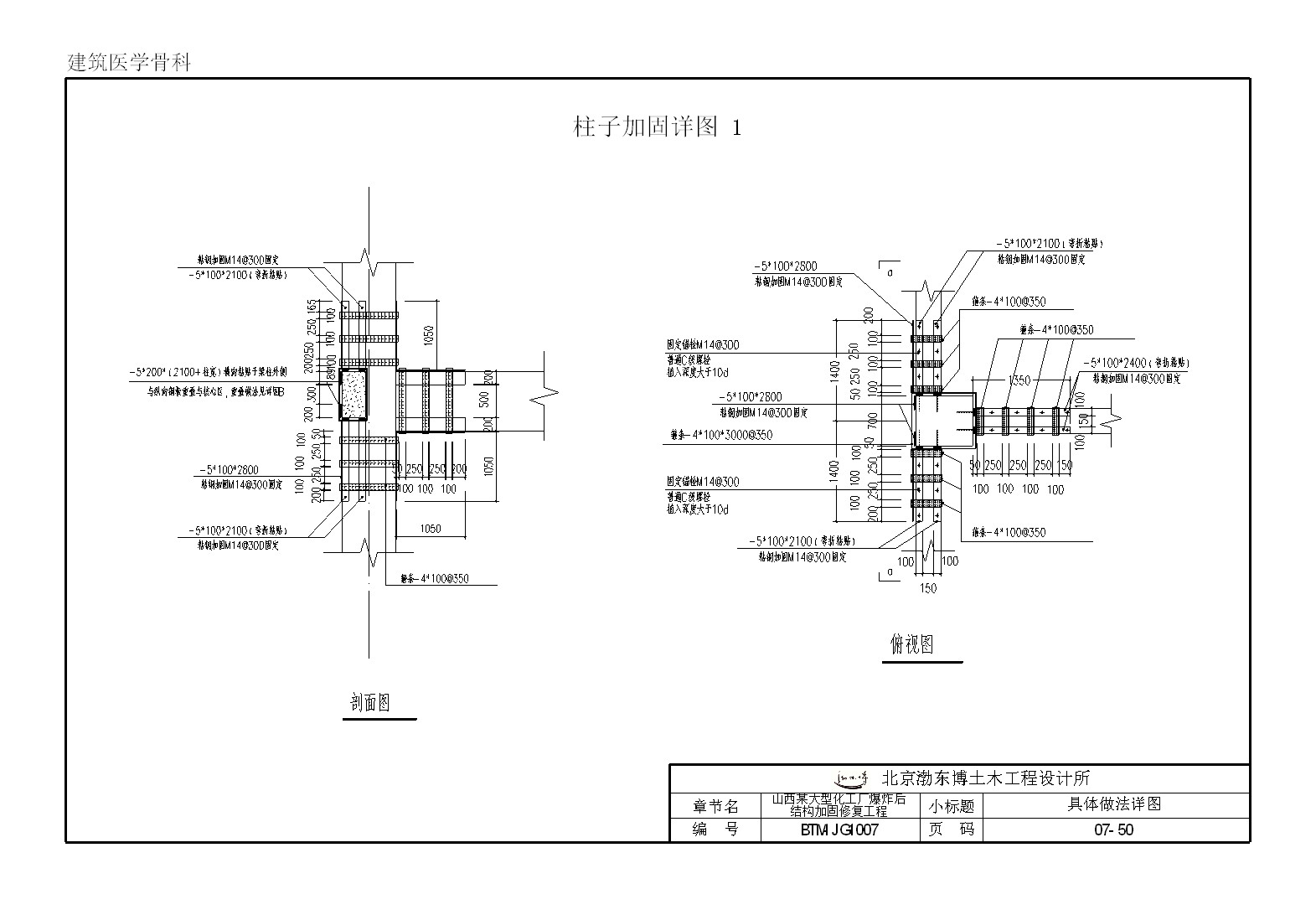
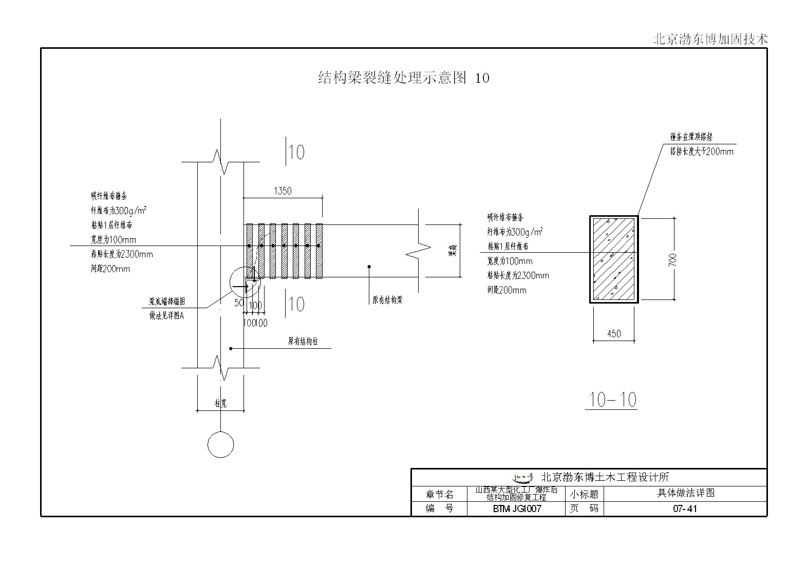
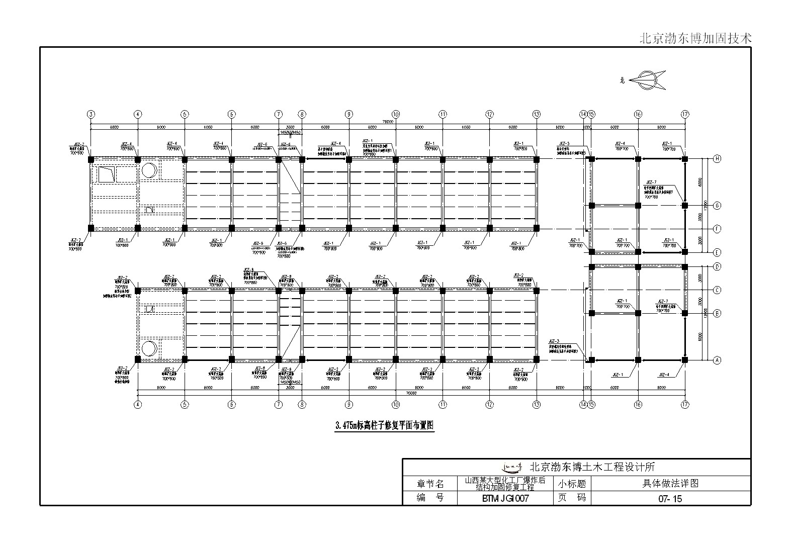
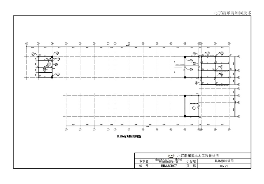
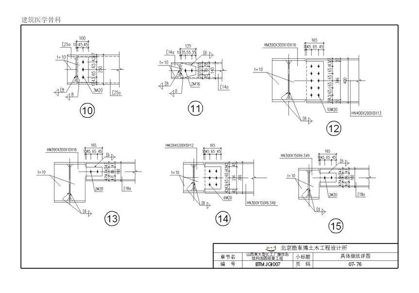
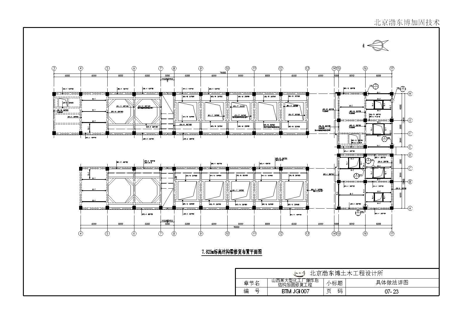
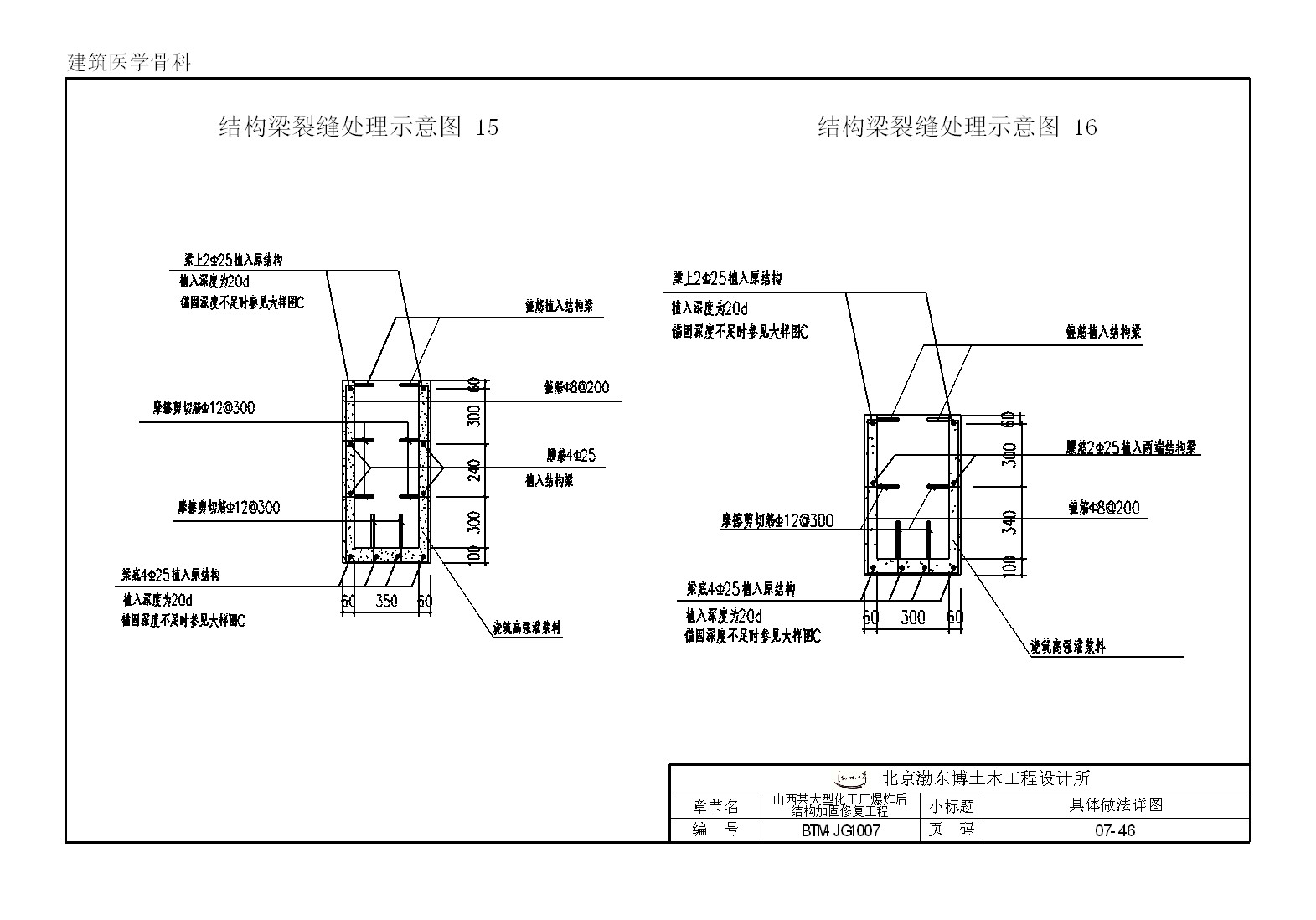
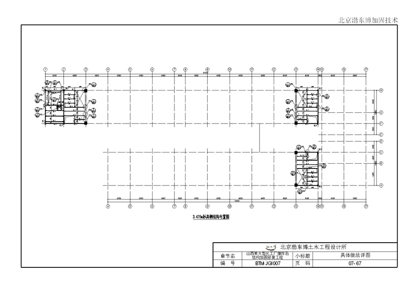
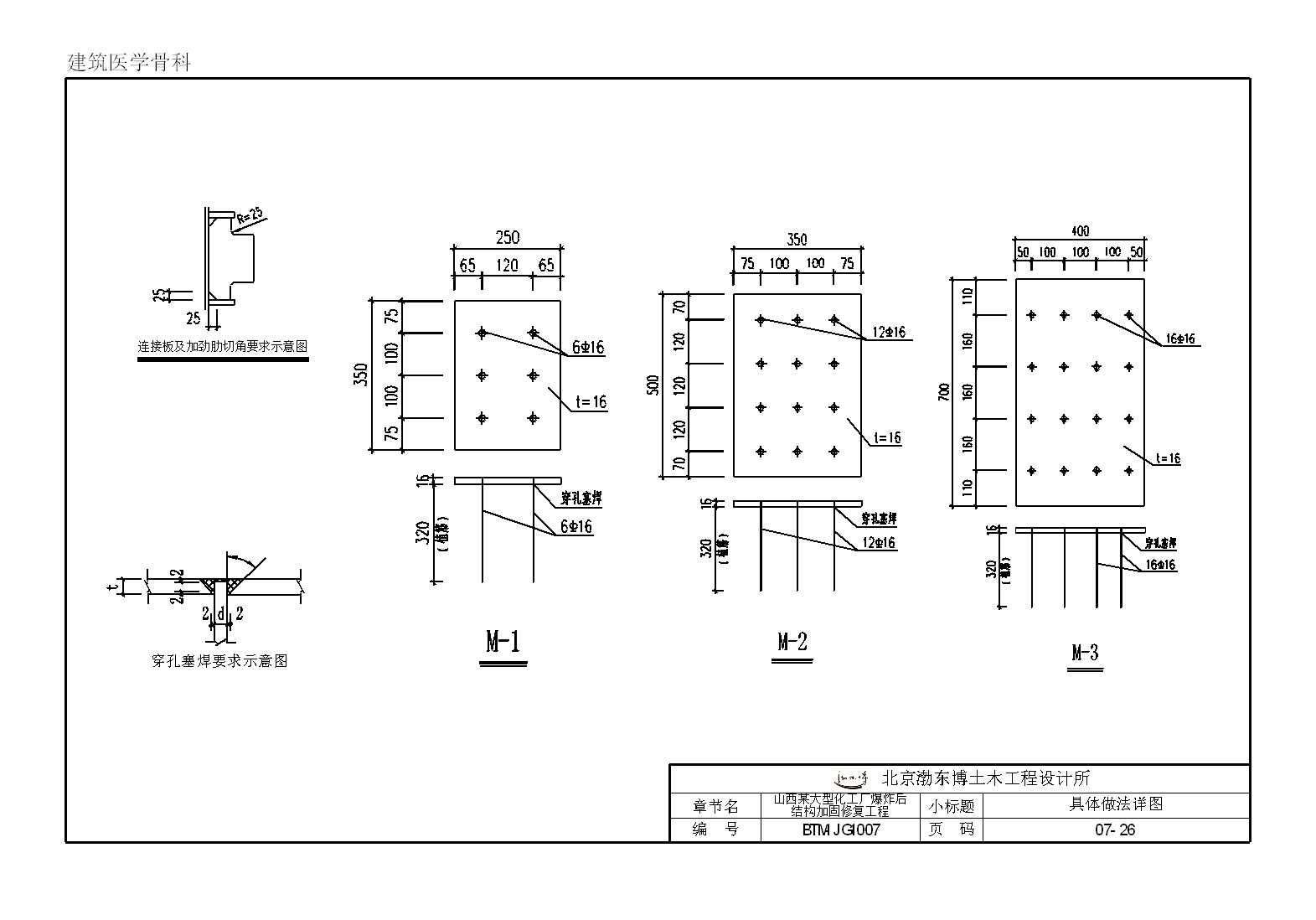
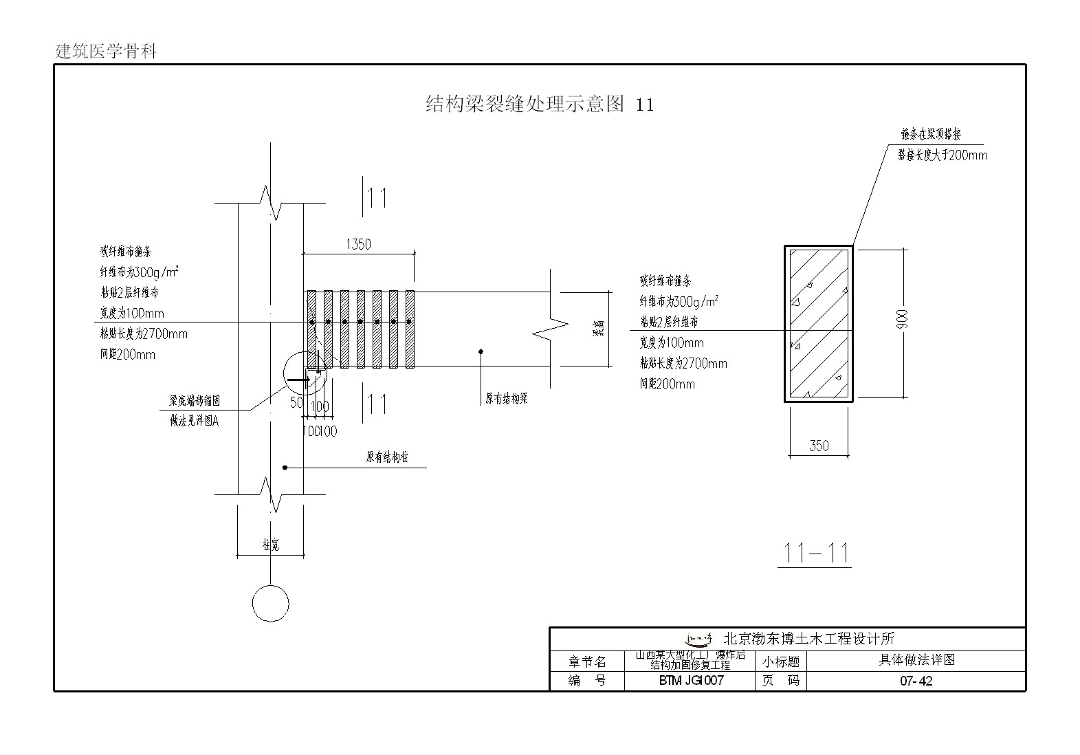
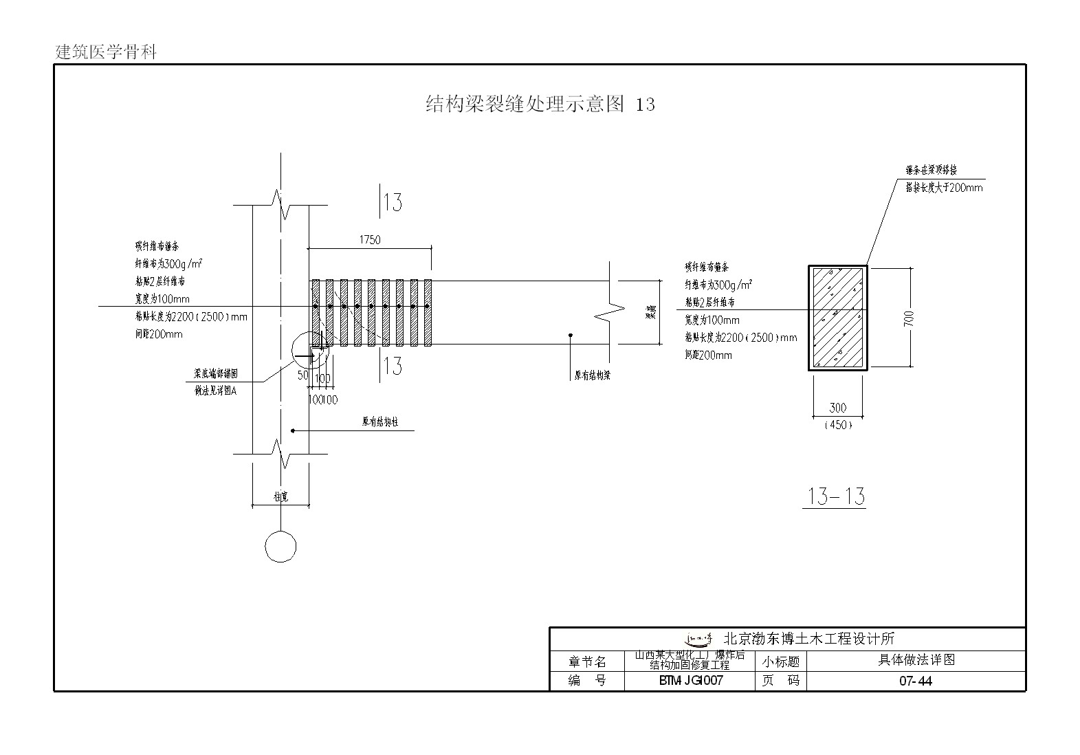
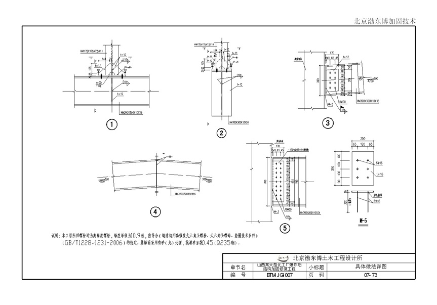
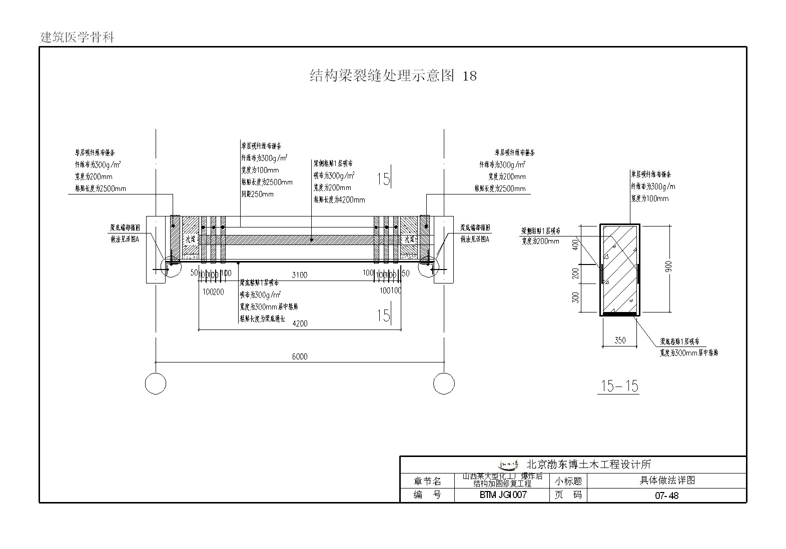
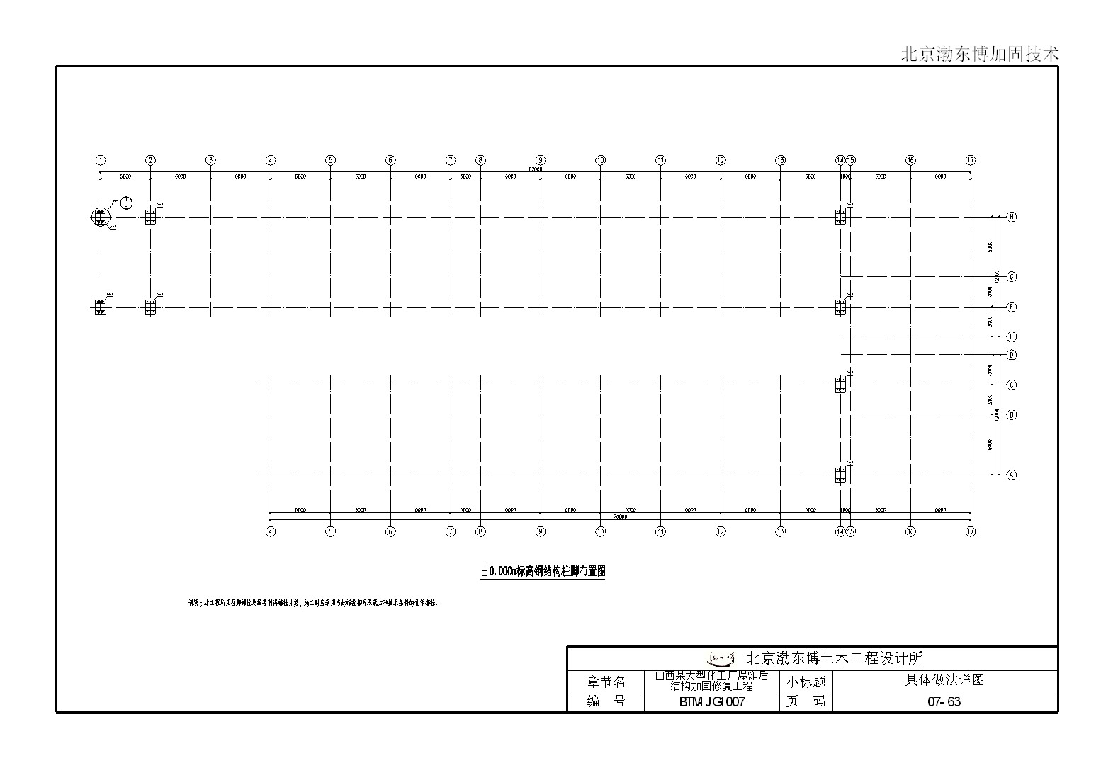
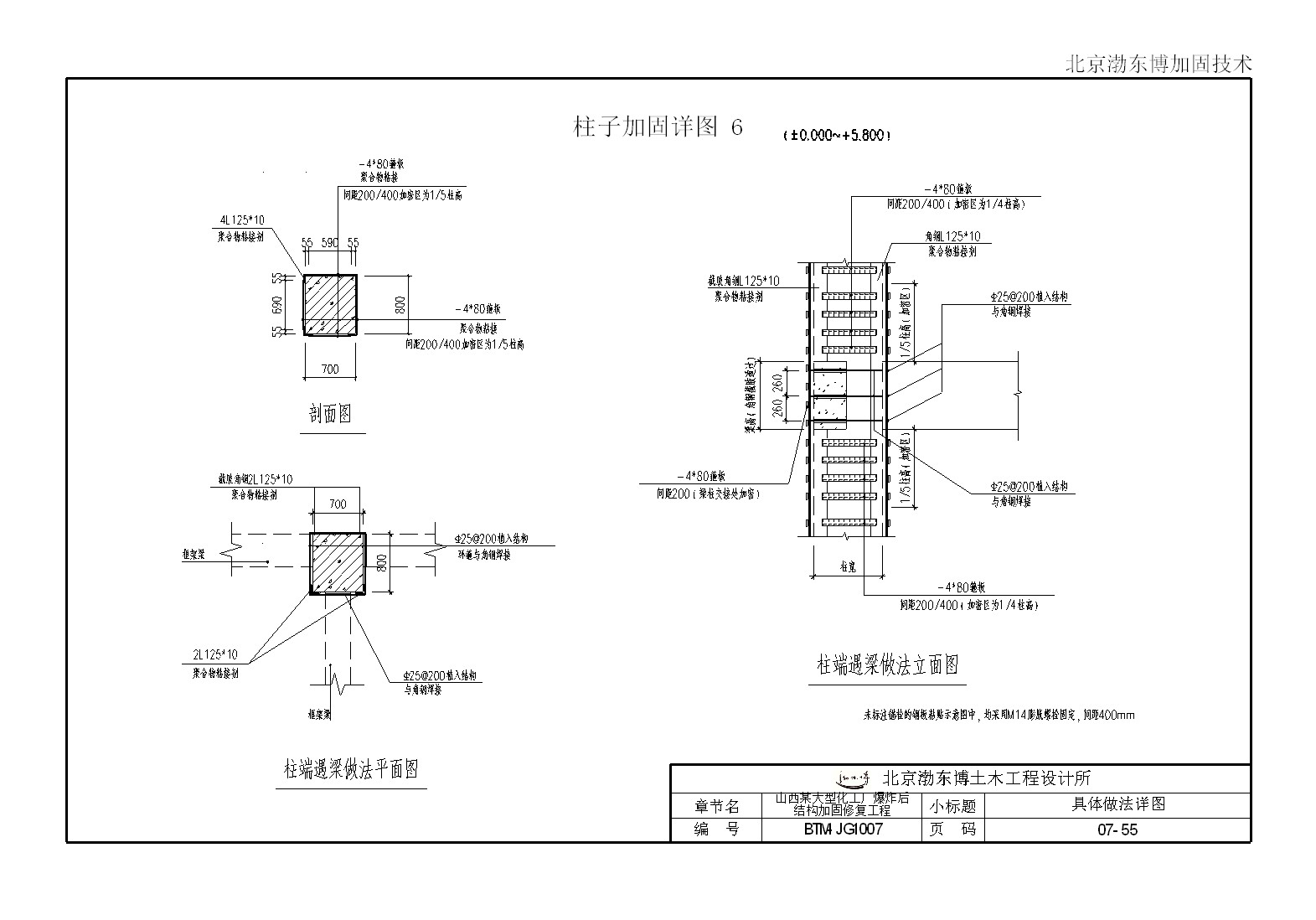
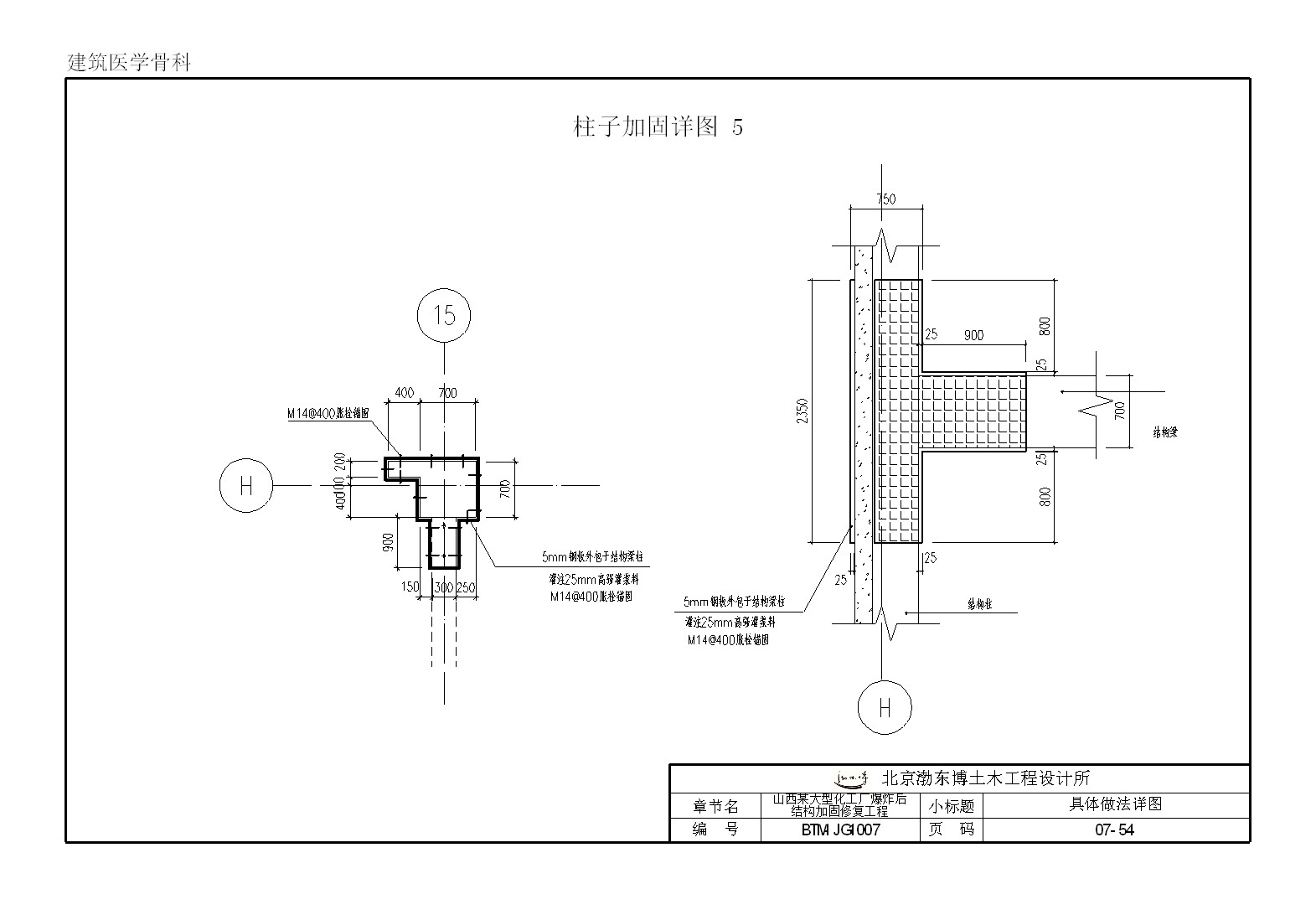
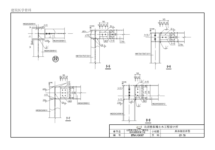
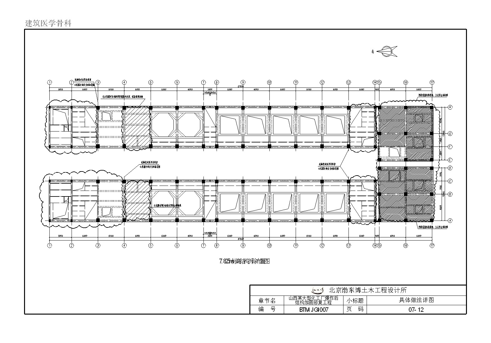
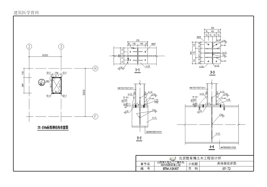
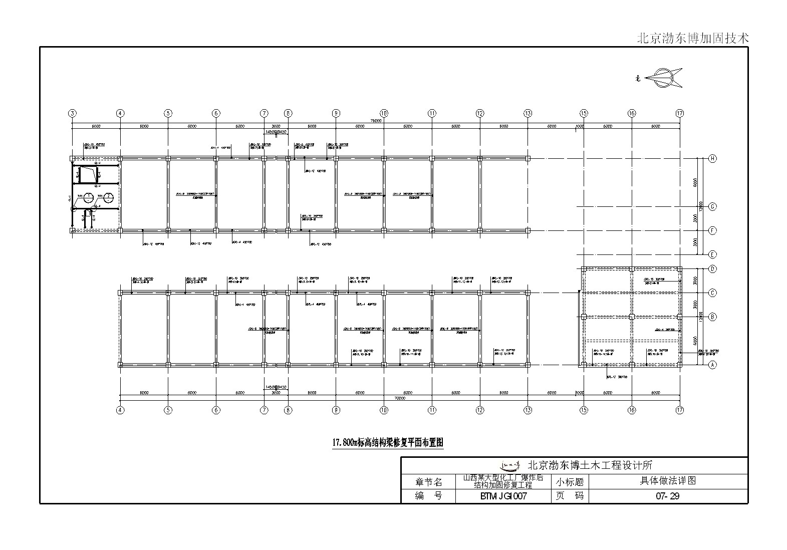
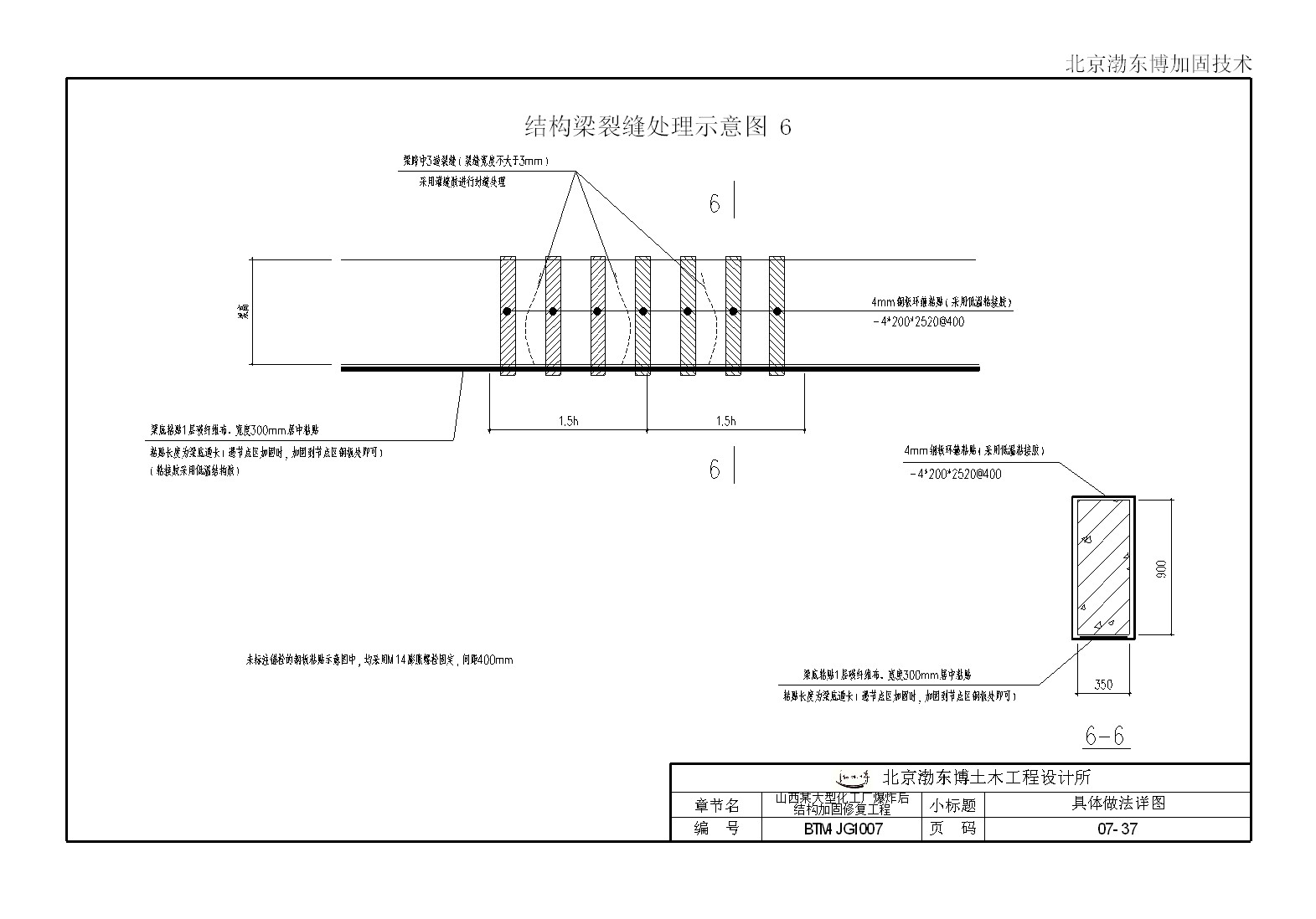
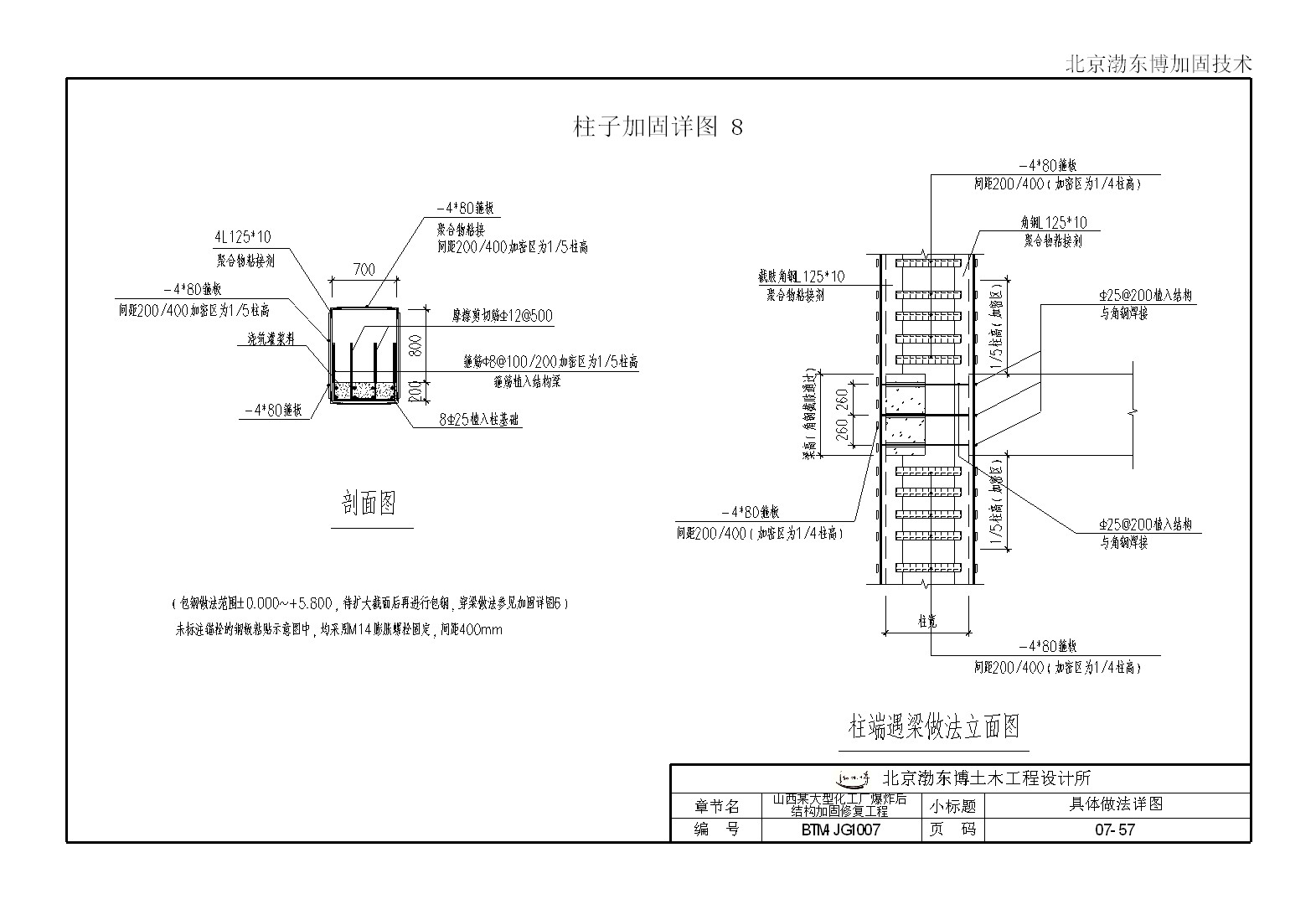
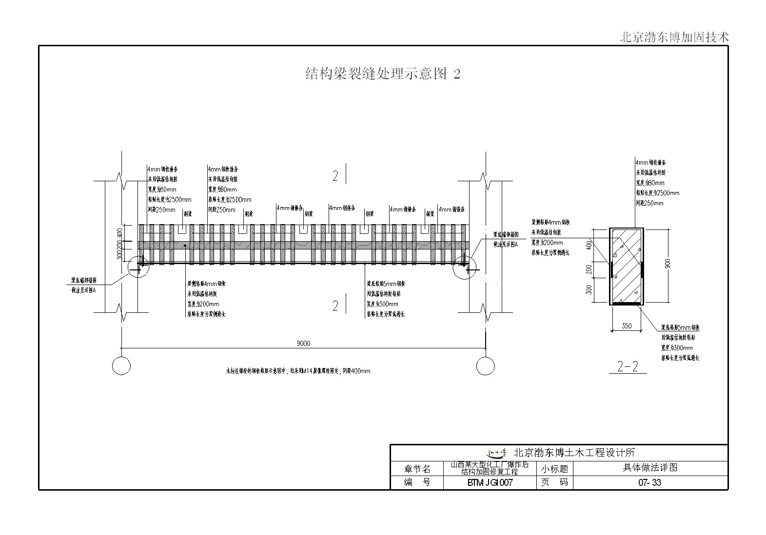
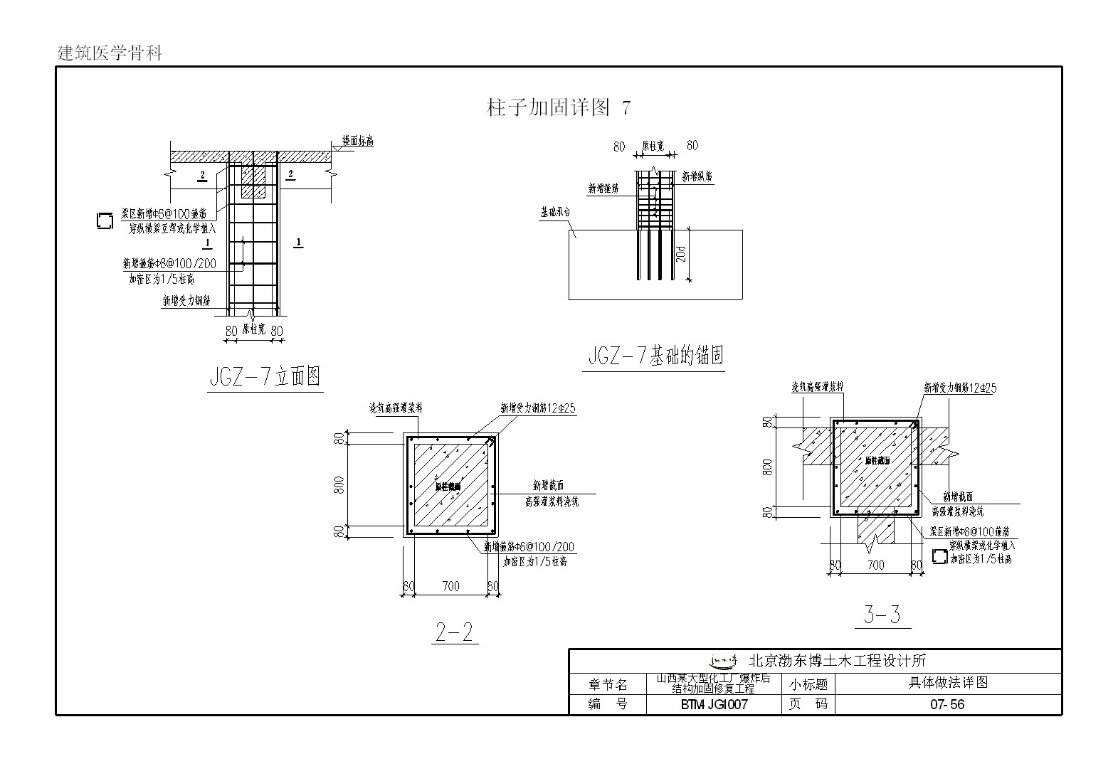
山西某大型化工厂爆炸后结构加固修复工程
版权所有:半岛web版登录入口
邮箱:jiagu@bodongbo.com
传真:010-64403408
电话:400-610-6025 800-810-6025 010-64403428
地址:北京市朝阳区北苑东路19号院2号楼1206室(中国铁建广场C座)
京ICP备2022035419号-1
华体登录
|
半岛官网入口网页版
|
欧亿·体育(sports)官方网站
|
千亿球友会-首页
|
开云kaiyun官方在线入口
|
华亿买球
|
半岛web版登录入口
|
开云电子登录
|
MK官方网站
|